Chip GI MCT111 Q4804 8410G en Commodore Modem/300 1660
-
alexsnz
- Dragon 32

- Mensajes: 20
- Registrado: 10 Jul 2021, 09:42
- Sistema Favorito: PC
- primer_sistema: PC
- consola_favorita: Atari 2600
- Primera consola: Atari 2600
- Gracias recibidas: 29 veces
- Contactar:
Chip GI MCT111 Q4804 8410G en Commodore Modem/300 1660
¿Alguien sabe que es el chip GI MCT111 Q4804 8410G en un Commodore Modem/300 1660?
No tienes los permisos requeridos para ver los archivos adjuntos a este mensaje.
-
Conectadorobcfg
- Amiga 2500

- Mensajes: 2212
- Registrado: 07 May 2009, 15:34
- Sistema Favorito: Amstrad CPC
- primer_sistema: Atari 800XL/600XL
- Ubicación: Estocolmo
- Gracias dadas: 1142 veces
- Gracias recibidas: 242 veces
- Contactar:
Re: Chip GI MCT111 Q4804 8410G en Commodore Modem/300 1660
No doy con la hoja de datos exacta, pero las que he visto de MCT2xx son de fototransistores aisladores (u optoacopladores), que se usan para evitar picos de corriente en dispositivos de comunicaciones, especialmente los que se conectaban a lineas telefónicas, así que pueden ir por ahi los tiros.
https://es.wikipedia.org/wiki/Optoacoplador
Tienes una foto de la placa por el lado de las soldaduras, para ver como está conectado?
https://es.wikipedia.org/wiki/Optoacoplador
Tienes una foto de la placa por el lado de las soldaduras, para ver como está conectado?
-
alexsnz
- Dragon 32

- Mensajes: 20
- Registrado: 10 Jul 2021, 09:42
- Sistema Favorito: PC
- primer_sistema: PC
- consola_favorita: Atari 2600
- Primera consola: Atari 2600
- Gracias recibidas: 29 veces
- Contactar:
Re: Chip GI MCT111 Q4804 8410G en Commodore Modem/300 1660
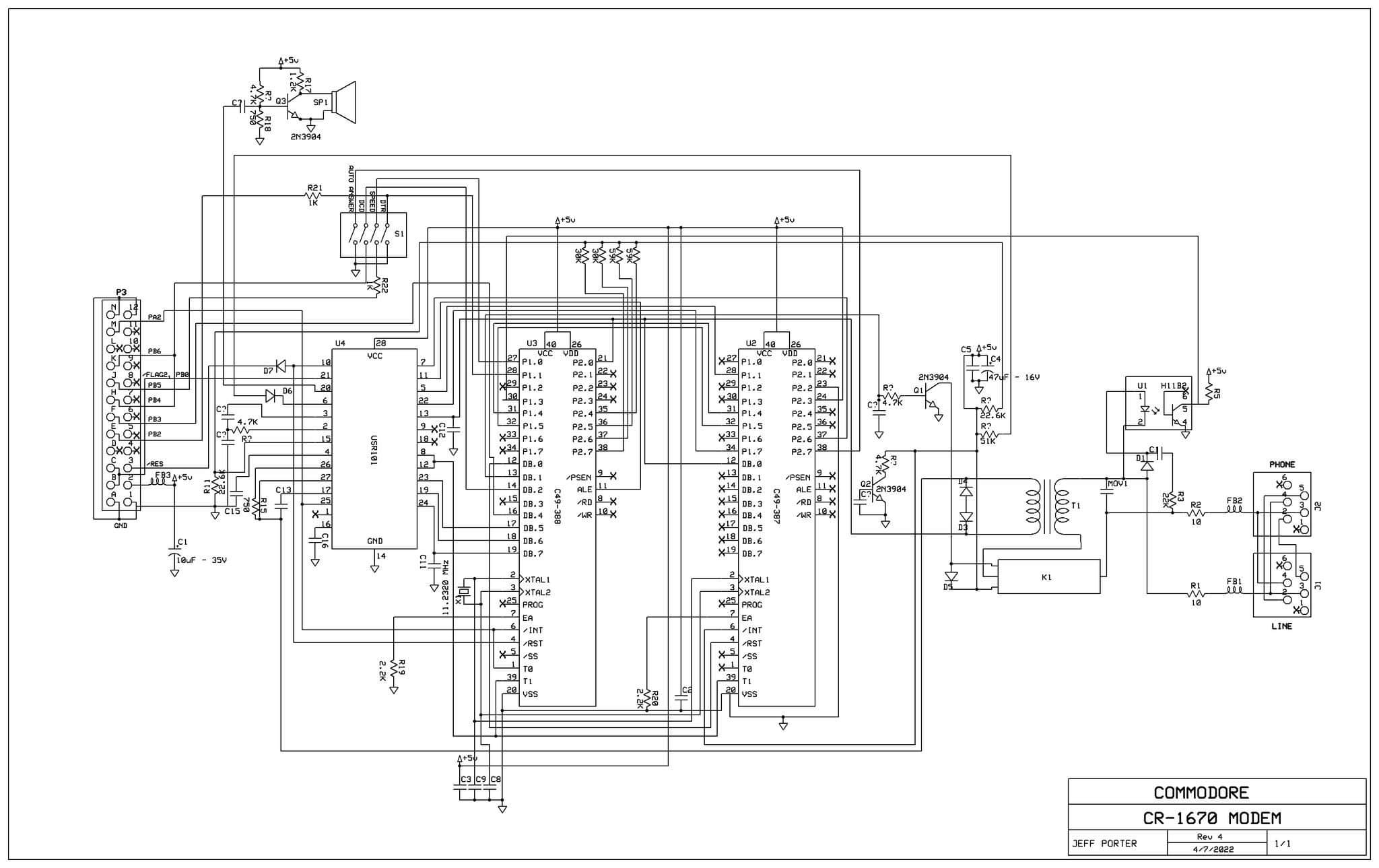
El pin 1 está conectado a la línea telefónica y el pin 5 a un pin del conector del puerto usuario. Así que parece que es el optoacoplador utilizado para detectar la señal de llamada (RING). Encontré el diagrama del modelo posterior. En ese diagrama se usa un optoacoplador H11B2.
- Oldcomput
- Amiga 2500

- Mensajes: 2213
- Registrado: 01 Nov 2004, 16:00
- Gracias dadas: 222 veces
- Gracias recibidas: 202 veces
Re: Chip GI MCT111 Q4804 8410G en Commodore Modem/300 1660
Muy buenos días
Mírate el TIL111, que creo es muy parecido. Si necesitas uno, tengo.
Saludos
Mírate el TIL111, que creo es muy parecido. Si necesitas uno, tengo.
Saludos
-
alexsnz
- Dragon 32

- Mensajes: 20
- Registrado: 10 Jul 2021, 09:42
- Sistema Favorito: PC
- primer_sistema: PC
- consola_favorita: Atari 2600
- Primera consola: Atari 2600
- Gracias recibidas: 29 veces
- Contactar:
Re: Chip GI MCT111 Q4804 8410G en Commodore Modem/300 1660
Oldcomput escribió:Muy buenos días
Mírate el TIL111, que creo es muy parecido. Si necesitas uno, tengo.
Saludos
Compré el módem de segunda mano para investigar como está construido. Ahora que ya se lo que hacen los componentes más importantes intentaré hacerlo funcionar. A ver si hay suerte y está todo bien y no tengo que reemplazar nada.
-
alexsnz
- Dragon 32

- Mensajes: 20
- Registrado: 10 Jul 2021, 09:42
- Sistema Favorito: PC
- primer_sistema: PC
- consola_favorita: Atari 2600
- Primera consola: Atari 2600
- Gracias recibidas: 29 veces
- Contactar:
Re: Chip GI MCT111 Q4804 8410G en Commodore Modem/300 1660
Oldcomput escribió:Muy buenos días
Mírate el TIL111, que creo es muy parecido. Si necesitas uno, tengo.
Saludos
Ya probé el módem y funciona todo. Pude conectar un PC y un Commodore 64C con el. He comprobado que el componente es el optoacoplador que se utiliza para detectar la señal de llamada. Recibe la señal y crea una señal igual pero de 5V para que pueda ser leída por el ordenador. He escrito un artículo en mi blog por si a alguien le interesa.
¿Quién está conectado?
Usuarios navegando por este Foro: No hay usuarios registrados visitando el Foro y 6 invitados